引抜き試験

杭の引抜き試験は、鉛直に設置された杭に引抜き力を加える静的試験です。

試験目的

杭の極限引抜き抵抗力の確認関する資料を得ることを目的とします。

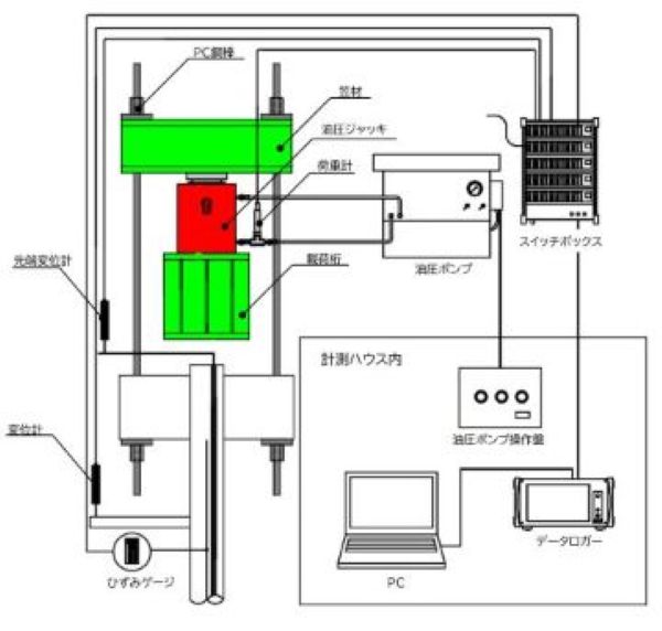
試験方法および装置

試験杭上部に設置した加力装置により、試験杭に引抜き荷重を加えます。斜杭の引抜き試験も可能です。試験装置は、加力装置・反力装置および計測装置によって構成されています。

載荷装置の例
斜杭の引抜き試験の例 計測機器の例